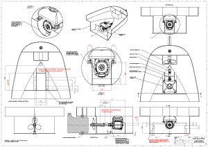
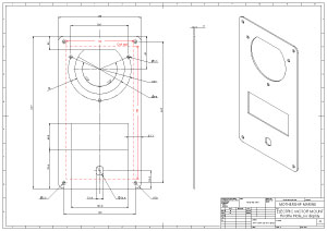
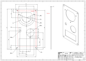
Boat Electric Motors and Systems Installion Guides and Drawings

Access our comprehensive technical library to streamline your transition to sustainable cruising. We provide all the essential resources you need to install and maintain your inboard electric boat motor with confidence. Our expert-led documentation ensures your electric narrowboat or cruiser achieves peak efficiency. You can find the following resources available for immediate download:

  • Engineering Blueprints: Precise PDF drawings for motor beds and mounting dimensions.

  • System Schematics: Detailed wiring diagrams for integrated power management and cooling pumps.

  • Technical Software: The latest updates for our proprietary vessel displays and throttle controls.

Scroll to Top